վҳ
|
˾
|
Ʒչʾ
|
ҵ̬
|
˾
|
|
߶
|
豸ά
|
ҵĻ
|
ϵ
Сר
|
칤ר
|
ùר
|
ר
|
ר
|
ʿ
|
˹
|
һع
|
ؿ
|
ר
|
ִר
|
ר
|
ר
|
TCMר
|
ר
合肥液压机械厂
>
ùר
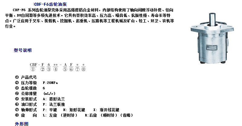
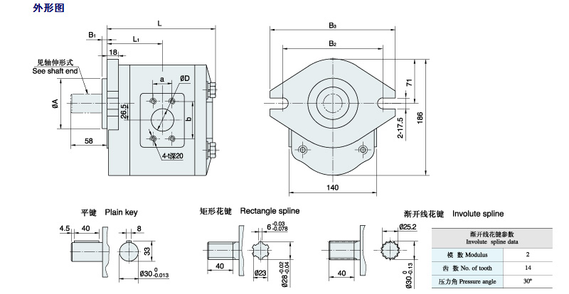
CBF-F6ͱ
来源:
ϷҺѹе
发布时间:
2010年12月22日
浏览次数:
5756
ӣ
ϷҺѹ
ϷҺѹ
ϷҺѹ
ϷҺѹе
ϷҺѹеڲ
ϷҺѹе豸쳧
Ȩ © ϷҺѹе http://www.hfyyj.com ַϷк· ʱࣺ238331
绰0551-65142981 棺0551-65142981 ֻ13856076226
۴绰:13856076226 ´绰:13856076226
缼֧֣
Ƽ
ICP07006092
ϷҺѹ | ϷҺѹ | ϷҺѹ | ϷҺѹе | Сɳֱ | ֱ | ֱֳ